| 自動演奏「ミニドラム・ミニ鉄琴」 | ![]() |
|---|
|
おもちゃのドラムやおもちゃの鉄琴をブラウザ制御で自動演奏します。
ものづくり教材として利用する場合は、グループでセッションが面白いのではないでしょうか(どなたか挑戦してみませんか?)。また、生徒の余力に応じて
|
|
オモチャのドラムを左右2つのスティックで叩きます。左のスティックはセンタードラム(L)とサイドドラム(S)、右のスティックはセンタードラム(R)とハイハット(H)を担当し、サーボモータでそれぞれのドラム位置にスティックを移動します。

drum1.html:
|
![]()
|
オモチャの鉄琴を左右2つのスティックで叩きます。左のスティックはドレミファ(C4 D4 E4 F4)、右のスティックはソラシド(G4 A4 B4 C5)を担当し、サーボモータでそれぞれの位置にスティックを移動します。

tekkin1.html:
|
![]()
|
複数の楽器で「セッション」も楽しめます。グループ学習でやってみると面白いと思います。ブラウザ画面から音が出ますので、楽器が1台でも十分楽しめます。
それぞれのパソコンのブラウザ画面でを押すと、「正10秒」まで待って演奏を開始します。ボタンを押すタイミングが少しずれても大丈夫です。パソコンの時刻同期の設定をきちんとしておくと時刻のズレを少なくできます(NICTのページで確認できます)。ここではパソコン毎に多少時刻がずれていてもいいように、±1秒の範囲で調整できるようにしてあります。
session1.html:
|
![]() ![]() ![]()
|
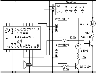
以下は楽譜データを分けて(sample.js, akahana.js, ...)、曲を選択できるようにした例です。NeoPixelをつなぐと演奏に連動してカラフルに光ります。イルミネーションのオブジェはngo-tecさんのページを見て作りました。「正10秒」で同期演奏できますし、「正時」に演奏させれば「からくり時計」となります。ブラウザ画面上で楽譜を入力して演奏させることもできます。
![]() | ![]() |
時刻合わせの方法(Windows10)
以下は2010年頃に作ったものです。WebIOは使わずに(ブラウザとの連動はなく)、単体で動作するものです。
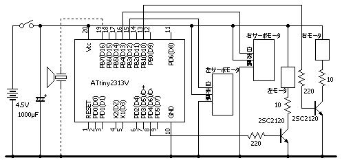
おもちゃのドラムやおもちゃの鉄琴をマイコン制御で演奏します。AVRマイコン(ATtiny2313)を使い、Arduino IDEで開発しました。
ものづくり教材として利用する場合は、グループでバンド演奏させると面白いのではないでしょうか(どなたか挑戦してみませんか?)。また、生徒の余力に応じて
鉄琴(1400円)を別にして、製作費は約2500円(サーボモータを省略したドラムなら1000円以下)で済みます。ドラムは身の回りの廃品を利用して作ると楽しいでしょう。
なお、ミニドラムの構想は野尻抱介氏のリズムボット(Make, vol.06, p37)を参考にしました。
レパートリーは「ジングルベル」「赤鼻のトナカイ」「大きなたいこ」「大きな古時計」「ハッピーバースデー」「クリスタルチルドレン」「附属特別支援学校校歌」...。
右下の動画は電子オルゴールと組み合わせたものです。同期をとっていないので、音がちょっとずれています。
プログラム(スケッチ): drum.ino, drum1.h, drum2.h
左のバチはドレミファソラ、右のバチはレミファソラシドを担当します。
レパートリーは「ハッピーバースデー」...。
右下の動画はドラムと組み合わせたものです。同期をとっていないので、音がちょっとずれています。
プログラム(スケッチ): tbirth.ino, tekkin1.h, tekkin2.h, (tekkin.ino...位置調整用)
正味の楽譜データは
|
|
回路図(ドラムと鉄琴で共通):

部品表:
| 部品名・型番 | 数 | 備考(参考価格 他) |
|---|---|---|
| AVRマイコン ATtiny2313V | 1 | 秋月 @100 |
| 圧電スピーカ SPT08 (ミニ鉄琴では使わない) | 1 | 秋月 @50 |
| サーボモータ GWS PICO/STD/F | 2 | 秋月 @800×2 |
| モータ (12V用手持ち品) | 2 | @100×2 |
| ブレッドボード EIC-301 | 1 | 秋月 @150 |
| ジャンパワイヤ 15cm | 赤白黒 各4本 | 秋月 |
| アルカリ電池(単3) | 3 | |
| 電池ボックス(単3×3) | 1 | 秋月 @50 |
| トグルスイッチ | 1 | |
| トランジスタ 2SC2120 | 2 | 秋月 @10×2 |
| カーボン抵抗(1/4 W) 10Ω, 220Ω | 各2 | 秋月 |
| 電解コンデンサ 1000μF 6.3V | 1 | 秋月 |
| 太鼓 | 1 | ダイソー @100 |
| アンパンマン シロホン (おもちゃの鉄琴) | 1 | ピノチオ @1400 |